- Front Ferrule
- Back Ferrule
- Tube End Closure
- Fitting End Closure
- Union
- Reducing Union
- Bulkhead Union
- Bulkhead Reducing Union
- Union Elbow
- Bulkhead Elbow
- Union Tee
- Reducing Union Tee
- Union Cross
- Male Connector
- Bulkhead Male Connector
- Male Elbow
- 45 Degree Male Elbow
- 45 Degree Positionable Male Elbow
- Positionable Male Elbow
- Male Run Tee
- Male Branch Tee
- Positionable Male Run Tee
- Female Connector
- Bulkhead Female Connector
- Female Elbow
- Female Run Tee
- Female Branch Tee
Positionable Male Run Tee
Positionable Male Run Tee Tube Fittings Supplier, Positionable Male Run Tee Compression Tube Fittings Exporter, Positionable Male Run Tee Instrumentation Pipe Fittings Stockists in Mumbai, India
Stainless Steel Positionable Male Run Tee Tube Fittings, Alloy Steel Positionable Male Run Tee Tube Fittings, Carbon Steel Positionable Male Run Tee Tube Fittings, Nickel Alloy Positionable Male Run Tee Pipe Fittings Trader
We are involved in trading and exporting excellent quality Positionable Male Run Tee in Mumbai, Maharashtra, India. Our offered Male Run Tee is widely appreciated by our clients who are situated all round the nation. We offer Male Run Tee at most affordable prices.
Salient Features:
- Maintenance free
- Accurate dimension
- Durable finish
Constructed with high-quality metals of stainless steel of 304 and 316 grade, brass, Alloy Steel, Carbon Steel, Nickel Alloy, Monel, Hastelloy, Inconel, Alloy 20, and others, our products are leak proof and are reliable for pressure-tight sealing. We supply and export a full range of Positionable Male Run Tee Tube Fittings appreciated for high performance and low maintenance. Contact us today to request a free quote today!
Monel Positionable Male Run Tee Ferrule Fittings, Hastelloy Positionable Male Run Tee Tube Fittings, Inconel Positionable Male Run Tee Tube Fittings, Aluminum Positionable Male Run Tee Ferrule Fittings Dealer in India
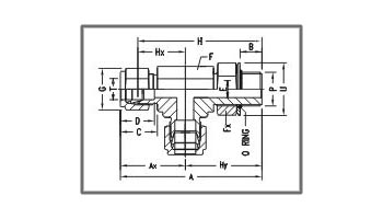
| T Tube OD | S SAE/MS Male | A | Ax | B | C | D | E min. | F A/F | Fx A/F | G A/F | H | Hx | Hy | U |
| 1/4 1/4 |
1/8 1/4 |
53.4 61.3 |
27.0 29.0 |
8.2 9.2 |
17.8 17.8 |
15.3 15.3 |
4.0 4.8 |
14 16 |
14 19 |
14 14 |
46.0 53.9 |
19.6 21.6 |
26.4 32.3 |
17.3 22.9 |
| 3/8 | 1/4 | 62.8 | 30.5 | 9.2 | 19.3 | 16.8 | 5.8 | 16 | 19 | 17 | 55.5 | 23.2 | 32.3 | 22.9 |
| 1/2 1/2 |
3/8 1/2 |
73.0 81.5 |
36.0 38.1 |
9.4 13.0 |
21.8 21.8 |
22.9 24.4 |
7.8 10.4 |
22 24 |
22 27 |
22 22 |
62.9 71.3 |
25.9 27.9 |
37.0 43.4 |
26.4 32.0 |
| 5/8 3/4 3/4 |
1/2 1/2 3/4 |
81.5 85.1 88.7 |
38.1 39.9 39.9 |
13.0 13.0 13.0 |
21.8 21.8 21.8 |
24.4 24.4 24.4 |
10.4 10.4 15.8 |
24 27 27 |
27 27 35 |
25 28.5 28.5 |
71.3 74.9 78.5 |
27.9 29.7 29.7 |
43.4 45.2 48.8 |
32.0 32.0 41.2 |
| 1 | 1 | 102.6 | 49.0 | 14.0 | 26.4 | 31.2 | 19.8 | 35 | 41 | 38 | 90.4 | 36.8 | 53.6 | 48.5 |
| T Tube OD | S SAE/MS Male | A | Ax | B | C | D | E min. |
F A/F |
Fx A/F | G A/F | H | Hx | Hy | U |
| 6 6 |
1/8 1/4 |
53.4 61.3 |
27.0 29.0 |
8.1 9.1 |
17.7 17.7 |
15.3 15.3 |
4.0 4.8 |
14 16 |
14 19 |
14 14 |
46.0 53.9 |
19.6 21.6 |
26.4 32.3 |
17.3 22.9 |
| 8 8 |
1/8 1/4 |
56.2 62.1 |
28.8 29.9 |
8.1 9.1 |
18.6 18.6 |
16.2 16.2 |
4.0 5.9 |
14 16 |
14 19 |
16 16 |
48.7 54.6 |
21.3 22.4 |
27.4 32.2 |
17.3 22.9 |
| 10 | 1/4 | 68.5 | 33.5 | 9.1 | 19.5 | 17.2 | 5.9 | 19 | 19 | 19 | 61.9 | 25.9 | 35.0 | 22.9 |
| 12 12 |
3/8 1/2 |
73.1 81.4 |
36.0 38.0 |
9.4 13.0 |
22.0 22.0 |
22.8 23 |
7.9 9.5 |
22 24 |
22 27 |
22 22 |
63.0 71.3 |
25.9 27.9 |
37.1 43.4 |
26.4 32.0 |
| 16 | 1/2 | 83.3 | 38.1 | 13.0 | 22.0 | 24.4 | 11.9 | 27 | 27 | 28.5 | 74.9 | 29.7 | 45.2 | 32.0 |
| 22 | 3/4 | 93.4 | 44.6 | 13.0 | 22.0 | 26.0 | 15.8 | 27 | 35 | 28.5 | 83.3 | 34.5 | 48.8 | 41.2 |
| 25 25 |
3/4 1 |
102.3 102.6 |
49.0 49.0 |
13.0 14.0 |
26.5 26.5 |
31.3 31.3 |
15.8 21.8 |
35 35 |
35 41 |
38 38 |
90.1 90.4 |
36.8 36.8 |
53.3 53.6 |
41.2 48.5 |
Price List of Positionable Male Run Tee
Numax Steels is one of the most competitive suppliers of pipes and tubes from India. Our prices for Positionable Male Run Tee are very competitive. Please click on the enquiry button or click here to request the updated price list and ready stock information along with your requirement. Numax Steels maintains a stock of all standard items and can export them at the best price for Positionable Male Run Tee.
We Export To
Kinshasa, Khartoum, Bulawayo, Casablanca, Accra, Russia, Brazzaville, Tripoli, Thailand (Bangkok), Omdurman, Sudan, Venezuela, Saudi Arabia, Abu Dhabi, Argentina, Algiers, Conakry, Brazil, Singapore, Ibadan, Vietnam, Nigeria, Yemen, Addis Ababa, Kampala, Lubumbashi, Algeria, Johannesburg, Cairo, Cameroon, Douala, Turkey, Yaoundé, Iraq, Cape Town, Maiduguri, Durban, UAE, Tunisia, Mexico, Bamako, Abidjan, Lagos, Cyprus, Morocco, Antananarivo, Italy, United States, Ghana, Rabat, Maputo, Peru, Mogadishu, Benin, Port Harcourt, London, Angola, Kazakhstan, Zaria, Uganda, Luanda, Mbuji-Mayi, Pretoria, Mozambique, Lebanon, Germany, Freetown, New Zealand, Colombo, Indonesia, Azerbaijan, Bahrain, Canada, Houston, Australia, Colombia, New York, Jordan, Fez, Dubai, Qatar, Democratic Republic of the Congo, Oman, Subra al-Haymah, Kano, Dar es Salaam, Hong Kong, Trinidad and Tobago, Africa, Ethiopa, UK, South Africa, Dakar, Alexandria, Iran, Kaduna, Kuwait, Malaysia, Nairobi, Harare, Sri Lanka, Kolwezi, Chine, Israel, Egypt, Soweto, Ouagadougou, Port Elizabeth, Giza.We Supply To
Conakry, Kolwezi, Singapore, Karnataka, Brazzaville, Tripoli, Cameroon, Kampala, Maharashtra, Mumbai, Pune, Betul, Zaria, Kerala, Jordan, Cairo, Benin, Nairobi, Lucknow, Qatar, Port Elizabeth, Bamako, Colombo, Dakar, Omdurman, Harare, Abidjan, Manipur, Algeria, Algiers, Mbuji-Mayi, Maiduguri, Andhra Pradesh, Dar es Salaam, Subra al-Haymah, Bundi, Maputo, Miryalaguda, Bangalore, Ambala, Soweto, Thailand (Bangkok), Durban, Alexandria, Venezuela, Jamalpur, Mizoram, Port Harcourt, Kaduna, Ethiopa, Ouagadougou, Nagapattinam, Fez, Bulawayo, Giza, India, Tripura, Angola, Surat, Muktsar, Yemen, Antananarivo, Buxar, Kano, Cyprus, Kolkata, Rabat, Mozambique, Kinshasa, Sadar, Accra, Morocco, Benin, Jaipur, Bhiwadi, Cape Town, Abu Dhabi, Oman, Tadepalligudem, Johannesburg, Democratic Republic of the Congo, Hong Kong, Lebanon, Lubumbashi, New York, Ahmedabad, Pretoria, Luanda, Hyderabad, Chennai, Suryapet, Ballia, Khartoum, Yaoundé, Addis Ababa, Casablanca, Ghana, Mogadishu, Udgir, Freetown, Delhi, Ibadan, Lagos, Baraut, Douala, Uganda, Russia, Puducherry, Bansberia.
Request A Quote
View Certificate
Weight Calculator
Download Brochure