- Front Ferrule
- Back Ferrule
- Tube End Closure
- Fitting End Closure
- Union
- Reducing Union
- Bulkhead Union
- Bulkhead Reducing Union
- Union Elbow
- Bulkhead Elbow
- Union Tee
- Reducing Union Tee
- Union Cross
- Male Connector
- Bulkhead Male Connector
- Male Elbow
- 45 Degree Male Elbow
- 45 Degree Positionable Male Elbow
- Positionable Male Elbow
- Male Run Tee
- Male Branch Tee
- Positionable Male Run Tee
- Female Connector
- Bulkhead Female Connector
- Female Elbow
- Female Run Tee
- Female Branch Tee
Positionable Male Elbow
Positionable Male Elbow Tube Fittings Supplier, Positionable Male Elbow Compression Tube Fittings Exporter, Positionable Male Elbow Instrumentation Pipe Fittings Stockists in Mumbai, India
Stainless Steel Positionable Male Elbow Tube Fittings, Alloy Steel Positionable Male Elbow Tube Fittings, Carbon Steel Positionable Male Elbow Tube Fittings, Nickel Alloy Positionable Male Elbow Pipe Fittings Trader
At Numax Steels, we are one of the leading and renowned supplier and exporter of quality Positionable Male Elbow Fittings in India and worldwide. Our products have been meeting the general and critical needs of the petrochemical, Oil & Gas Refineries, Pharmaceutical, Automobile, Aerospace & Defense, Power Generation, Pulp & paper, Shipbuilding industries.
This Positionable Male Elbow Tube Fittings offers a two ferrule design and comes in a wide range of sizes and configurations. They are specially designed as a leak-free connection for the most demanding process and instrumentation applications. Available in stainless steel, brass, and a variety of alloys, these tube fittings seal equally well on both thin and heavy wall metal tubing. Call us now to request a free quote!
Monel Positionable Male Elbow Ferrule Fittings, Hastelloy Positionable Male Elbow Tube Fittings, Inconel Positionable Male Elbow Tube Fittings, Aluminum Positionable Male Elbow Ferrule Fittings Dealer in India
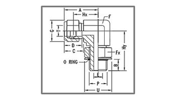
| T Tube OD | p ISO Male | Ax | B | C | D | E min. | F | Fx A/F | G A/F | Hx A/F | Hy | U |
| 1/4 1/4 |
1/8 1/4 |
27.0 29.0 |
8.2 9.2 |
17.8 17.8 |
15.3 15.3 |
4.0 4.8 |
14 16 |
14 19 |
14 14 |
19.6 21.6 |
26.4 32.3 |
17.3 22.9 |
| 3/8 3/8 |
1/4 3/8 |
30.5 33.0 |
9.2 9.2 | 19.3 19.3 |
16.8 16.8 |
5.8 7.1 |
16 22 |
19 22 |
17 17 |
23.2 25.9 |
32.3 37.0 | 22.9 26.4 |
| 1/2 1/2 1/2 |
1/4 3/8 1/2 |
36.0 36.0 38.1 |
9.2 9.4 13.0 |
21.8 21.8 21.8 |
22.9 22.9 24.4 |
5.8 7.8 10.4 |
22 22 24 |
19 22 27 |
22 22 22 |
25.9 25.9 27.9 |
35.0 37.0 43.4 |
22.9 26.4 32.0 |
| 5/8 | 1/2 | 38.1 | 13.0 | 21.8 | 24.4 | 10.4 | 24 | 27 | 25 | 27.9 | 43.4 | 32.0 |
| 3/4 3/4 | 1/2 3/4 |
39.9 39.9 | 13.0 13.0 | 21.8 21.8 | 24.4 24.4 | 10.4 15.8 | 27 27 |
27 35 |
28.5 28.5 | 29.7 29.7 | 45.2 48.8 | 32.0 41.2 |
| 1 1 |
3/4 1 |
49.0 49.0 | 13.0 14.0 | 26.4 26.4 | 31.2 31.2 | 15.8 19.8 | 35 35 |
35 41 |
38 38 |
36.8 36.8 | 53.3 53.6 | 41.2 48.5 |
| T Tube OD | p ISO Male | Ax | B | C | D | E min. | F | Fx A/F | G A/F | Hx A/F | Hy | U |
| 6 6 |
1/8 1/4 |
27.0 29.0 |
8.1 9.1 |
17.7 17.7 |
15.3 15.3 |
4.0 4.8 |
14 16 |
14 19 |
14 14 |
19.6 21.6 |
26.4 32.3 |
17.3 22.9 |
| 8 8 |
1/8 1/4 |
28.8 29.9 |
8.1 9.1 |
18.6 18.6 |
16.2 16.2 |
4.0 5.9 |
14 16 |
14 19 |
16 16 |
21.3 22.4 |
27.4 32.2 |
17.3 22.9 |
| 10 10 |
1/4 3/8 |
33.5 33.5 |
9.1 9.4 |
19.5 19.5 |
17.2 17.2 |
5.9 7.9 |
19 19 |
19 22 |
19 19 |
25.9 25.9 |
35.0 37.1 |
22.9 26.4 |
| 12 12 12 |
3/8 1/2 3/4 |
36.0 38.0 39.8 |
9.4 13.0 13.0 |
22.0 22.0 22.0 | 22.8 22.8 22.8 | 7.9 9.5 9.5 | 22 24 27 | 22 27 35 | 22 22 22 |
25.9 27.9 29.7 | 37.1 43.4 48.8 | 26.4 32.0 41.1 |
| 16 | 1/2 | 38.1 | 13.0 | 22.0 | 24.4 | 11.9 | 27 | 27 | 28.5 | 29.7 | 45.2 | 32.0 |
| 22 | 3/4 | 44.6 | 13.0 | 22.0 | 26.0 | 15.8 | 27 | 35 | 28.5 | 34.5 | 48.8 | 41.2 |
| 25 25 |
3/4 1 |
49.0 49.0 | 13.0 14.0 | 26.5 26.5 | 31.3 31.3 | 15.8 21.8 | 35 35 | 35 41 | 38 38 |
36.8 36.8 | 53.3 53.6 | 41.2 48.5 |
| T Tube OD | P ISO Male | Ax | B | C | D | E | F | Fx | Hx | Hy | U | |
| 1/4 1/4 | 7/16_20 9/16-18 | 28.5 30.5 |
9.9 11.2 |
17.8 17.8 | 15.3 15.3 | 4.8 4.8 |
14 16 |
14 17 |
14 14 |
21.0 23.1 | 28.5 32.3 | 16.5 20.0 |
| 3/8 3/8 | 9/16-18 3/4-6 |
32.0 34.8 |
11.2 12.7 |
19.3 19.3 | 16.8 16.8 | 7.1 7.1 | 16 22 | 17 22 |
17 17 |
24.6 27.4 | 32.3 37.8 | 20.0 25.6 |
| 1/2 | 3/4-16 | 37.6 | 12.7 | 21.8 | 22.9 | 10.4 | 22 | 22 | 22 | 27.4 | 37.8 | 25.6 |
| 5/8 | 7/16-14 | 39.6 | 14.3 | 21.8 | 24.4 | 12.7 | 24 | 25 | 25 | 29.5 | 43.4 | 29.5 |
| 3/4 | 11/16-12 | 41.4 | 16.8 | 21.8 | 24.4 | 15.8 | 27 | 32 | 28.5 | 31.2 | 48.8 | 36.6 |
| 7/8 | 11/16-12 | 43.2 | 16.8 | 21.8 | 25.9 | 18.3 | 30 | 32 | 32 | 33 | 50.5 | 40.4 |
| 1 | 15/1612 | 50.5 | 16.8 | 26.4 | 31.2 | 22.3 | 35 | 35 | 38 | 38.4 | 53.6 | 44.0 |
| 1.1/4 | 15/8-12 | 67.8 | 16.8 | 38.9 | 41.2 | 27.6 | 46 | 50 | 50 | 45.7 | 58.2 | 54.9 |
| 1.1/2 | 17/8-12 | 78.0 | 16.8 | 45.2 | 50.0 | 34.0 | 50 | 55 | 60 | 50.8 | 60.4 | 62.5 |
Price List of Positionable Male Elbow
Numax Steels is one of the most competitive suppliers of pipes and tubes from India. Our prices for Positionable Male Elbow are very competitive. Please click on the enquiry button or click here to request the updated price list and ready stock information along with your requirement. Numax Steels maintains a stock of all standard items and can export them at the best price for Positionable Male Elbow.
We Export To
Tunisia, Addis Ababa, Johannesburg, Singapore, Alexandria, Algiers, Argentina, Algeria, Dakar, Douala, Oman, Nairobi, Vietnam, Fez, Harare, Luanda, Yemen, Accra, Pretoria, Sudan, Russia, Kano, Cairo, Benin, Uganda, Abu Dhabi, Peru, Kampala, Ghana, UAE, Dar es Salaam, Kaduna, Thailand (Bangkok), Ibadan, Colombia, Lagos, Turkey, Kuwait, UK, Kolwezi, Democratic Republic of the Congo, Venezuela, Port Elizabeth, New Zealand, Maiduguri, London, Iraq, Angola, Mbuji-Mayi, Cyprus, Iran, United States, Subra al-Haymah, Maputo, Africa, Kazakhstan, Chine, Antananarivo, Bamako, New York, Indonesia, Trinidad and Tobago, Germany, Canada, Israel, Mozambique, Rabat, Kinshasa, Houston, Mogadishu, Abidjan, Ouagadougou, Hong Kong, Cape Town, Jordan, Australia, Brazzaville, Casablanca, Brazil, Mexico, Soweto, Italy, South Africa, Morocco, Lubumbashi, Dubai, Cameroon, Saudi Arabia, Malaysia, Colombo, Qatar, Durban, Zaria, Bulawayo, Omdurman, Tripoli, Khartoum, Ethiopa, Freetown, Port Harcourt, Sri Lanka, Azerbaijan, Giza, Bahrain, Lebanon, Nigeria, Egypt, Conakry, Yaoundé.We Supply To
Dakar, Zaria, Kinshasa, Colombo, Suryapet, Bansberia, Qatar, Dar es Salaam, Bundi, Luanda, Kampala, Bangalore, Jaipur, Omdurman, Benin, Lagos, Casablanca, Lubumbashi, Karnataka, Kolkata, Lucknow, Conakry, Freetown, Morocco, Abidjan, India, Muktsar, Algeria, Buxar, Cairo, Mogadishu, Algiers, Venezuela, Udgir, Bamako, Ballia, Kano, Betul, Mizoram, Brazzaville, Democratic Republic of the Congo, Oman, Thailand (Bangkok), Ambala, Nairobi, Lebanon, Benin, Hyderabad, Singapore, Durban, Manipur, Soweto, Mumbai, Maiduguri, Miryalaguda, Tripoli, Cameroon, Delhi, Maputo, Bulawayo, Yaoundé, Nagapattinam, Mbuji-Mayi, Kaduna, Port Elizabeth, Tadepalligudem, Russia, Ghana, Rabat, Kerala, Maharashtra, Pune, Andhra Pradesh, Subra al-Haymah, Cyprus, Ahmedabad, Pretoria, Jamalpur, Hong Kong, Jordan, Sadar, Fez, New York, Antananarivo, Khartoum, Ouagadougou, Harare, Douala, Angola, Mozambique, Uganda, Giza, Alexandria, Ibadan, Bhiwadi, Addis Ababa, Surat, Baraut, Ethiopa, Johannesburg, Chennai, Accra, Cape Town, Puducherry, Tripura, Abu Dhabi, Yemen, Port Harcourt, Kolwezi.
Request A Quote
View Certificate
Weight Calculator
Download Brochure