- Front Ferrule
- Back Ferrule
- Tube End Closure
- Fitting End Closure
- Union
- Reducing Union
- Bulkhead Union
- Bulkhead Reducing Union
- Union Elbow
- Bulkhead Elbow
- Union Tee
- Reducing Union Tee
- Union Cross
- Male Connector
- Bulkhead Male Connector
- Male Elbow
- 45 Degree Male Elbow
- 45 Degree Positionable Male Elbow
- Positionable Male Elbow
- Male Run Tee
- Male Branch Tee
- Positionable Male Run Tee
- Female Connector
- Bulkhead Female Connector
- Female Elbow
- Female Run Tee
- Female Branch Tee
45 Degree Positionable Male Elbow
45 Degree Positionable Male Elbow Tube Fittings Supplier, 45 Degree Positionable Male Elbow Compression Tube Fittings Exporter, 45 Degree Positionable Male Elbow Instrumentation Pipe Fittings Stockists in Mumbai, India
Stainless Steel 45 Degree Positionable Male Elbow Tube Fittings, Alloy Steel 45 Degree Positionable Male Elbow Tube Fittings, Carbon Steel 45 Degree Positionable Male Elbow Tube Fittings, Nickel Alloy 45 Degree Positionable Male Elbow Pipe Fittings Trader
Acknowledged in the entire industry, Numax Steels is one of the leading and most recognized manufacturer and supplier of an extensive range of 45 Deg Positionable Male Elbow which is known for their quality and performance standards.
Features:
- - Corrosion proof finish
- - Rugged design
- - Wear resistant
This elbow is specially designed as a leak-free connection for the most demanding process and instrumentation applications. It offers a two ferrule design and comes in a wide range of sizes and configurations. Available in stainless steel, brass, and a variety of alloys, these fittings seal equally well on both thin and heavy wall metal tubing. Call us now to request a free quote!
Monel 45 Degree Positionable Male Elbow Ferrule Fittings, Hastelloy 45 Degree Positionable Male Elbow Tube Fittings, Inconel 45 Degree Positionable Male Elbow Tube Fittings, Aluminum 45 Degree Positionable Male Elbow Ferrule Fittings Dealer in India
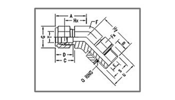
| T Tube OD | P SAE/MS Male | A | B | C | D | E min. | F | Fx A/F | G A/F | Hx A/F | Hy | U |
| 1/4 | 7/16-20 | 25.7 | 9.9 | 17.8 | 15.3 | 4.8 | 14 | 14 | 14 | 18.3 | 25.6 | 16.5 |
| 3/8 | 9/16-18 | 27.9 | 11.2 | 19.3 | 16.8 | 7.1 | 16 | 17 | 17 | 20.6 | 28.2 | 20.0 |
| 1/2 | 3/4-16 | 32.0 | 12.7 | 28.1 | 22.9 | 10.4 | 22 | 22 | 22 | 21.8 | 32.3 | 25.7 |
| 3/4 | 11/16-12 | 39.9 | 16.8 | 21.8 | 24.4 | 15.8 | 27 | 32 | 28.5 | 29.7 | 47.3 | 36.6 |
| 1 | 15/16-12 | 47.5 | 16.8 | 26.4 | 31.2 | 19.8 | 35 | 38 | 38 | 35.3 | 50.6 | 44.0 |
| T Tube OD | P ISO Male | A | B | C | D | E min. | F | Fx A/F | G A/F | Hx A/F | Hy | U |
| 1/4 | 1/4 | 25.7 | 9.9 | 17.8 | 15.3 | 4.8 | 14 | 14 | 14 | 18.3 | 25.6 | 16.5 |
| 3/8 |
3/8 |
27.9 | 11.2 | 19.3 | 16.8 | 7.1 | 16 | 17 | 17 | 20.6 | 28.2 | 20.0 |
| 1/2 | 1/2 | 32.0 | 12.7 | 28.1 | 22.9 | 10.4 | 22 | 22 | 22 | 21.8 | 32.3 | 25.7 |
| 3/4 | 3/4 | 39.9 | 16.8 | 21.8 | 24.4 | 15.8 | 27 | 32 | 28.5 | 29.7 | 47.3 | 36.6 |
| 1 | 1 | 47.5 | 16.8 | 26.4 | 31.2 | 19.8 | 35 | 38 | 38 | 35.3 | 50.6 | 44.0 |
Price List of 45 Degree Positionable Male Elbow
Numax Steels is one of the most competitive suppliers of pipes and tubes from India. Our prices for 45 Degree Positionable Male Elbow are very competitive. Please click on the enquiry button or click here to request the updated price list and ready stock information along with your requirement. Numax Steels maintains a stock of all standard items and can export them at the best price for 45 Degree Positionable Male Elbow.
We Export To
New York, Thailand (Bangkok), Malaysia, Trinidad and Tobago, Mbuji-Mayi, Ibadan, Benin, Ethiopa, Jordan, Kolwezi, Nairobi, Khartoum, Hong Kong, Zaria, Germany, Morocco, Kinshasa, Cyprus, Accra, Lebanon, Yemen, Democratic Republic of the Congo, Brazzaville, United States, Singapore, Abu Dhabi, Iran, Harare, Israel, Algiers, UAE, Houston, Colombia, Iraq, Durban, Peru, Antananarivo, Venezuela, Colombo, Soweto, Maiduguri, Sudan, Dubai, Cape Town, Egypt, Luanda, Bahrain, Angola, Uganda, Conakry, Algeria, Alexandria, Nigeria, Qatar, Yaoundé, Sri Lanka, Rabat, Maputo, Mozambique, Port Elizabeth, Abidjan, Saudi Arabia, Casablanca, Canada, Johannesburg, Ghana, Italy, Giza, Argentina, Omdurman, Dar es Salaam, Vietnam, Kano, Port Harcourt, Indonesia, Bulawayo, Cairo, Kazakhstan, Tripoli, South Africa, Brazil, Fez, Cameroon, Africa, Tunisia, Kaduna, Lagos, Bamako, Mogadishu, New Zealand, Turkey, Dakar, Addis Ababa, Oman, Ouagadougou, Pretoria, Douala, Australia, London, Lubumbashi, Chine, Freetown, Kampala, Azerbaijan, Kuwait, UK, Subra al-Haymah, Russia, Mexico.We Supply To
Brazzaville, Freetown, Giza, India, Tripura, Cape Town, Addis Ababa, Douala, Cyprus, Cameroon, Kolkata, Soweto, Abu Dhabi, Ouagadougou, Kolwezi, Jaipur, Udgir, Baraut, Mizoram, Kaduna, Ghana, Morocco, Angola, Port Harcourt, Lagos, Oman, Pune, Antananarivo, Zaria, Muktsar, Bansberia, Ibadan, Thailand (Bangkok), Bulawayo, Omdurman, Bangalore, Maputo, Hyderabad, Pretoria, Rabat, Russia, Johannesburg, Conakry, Mumbai, Subra al-Haymah, Karnataka, Casablanca, Ambala, Accra, Durban, Alexandria, Chennai, Dakar, Colombo, Uganda, Andhra Pradesh, Benin, Suryapet, Bundi, Surat, Fez, Delhi, Buxar, Ahmedabad, Manipur, Lebanon, Qatar, Hong Kong, Harare, Cairo, Maharashtra, Maiduguri, Betul, Ethiopa, Venezuela, Yaoundé, Jamalpur, Lubumbashi, Lucknow, Mbuji-Mayi, Tripoli, Bamako, Puducherry, New York, Ballia, Mogadishu, Algiers, Kampala, Kano, Kerala, Bhiwadi, Tadepalligudem, Singapore, Khartoum, Nagapattinam, Luanda, Dar es Salaam, Abidjan, Jordan, Nairobi, Democratic Republic of the Congo, Port Elizabeth, Sadar, Mozambique, Yemen, Benin, Algeria, Kinshasa, Miryalaguda.
Request A Quote
View Certificate
Weight Calculator
Download Brochure