- Front Ferrule
- Back Ferrule
- Tube End Closure
- Fitting End Closure
- Union
- Reducing Union
- Bulkhead Union
- Bulkhead Reducing Union
- Union Elbow
- Bulkhead Elbow
- Union Tee
- Reducing Union Tee
- Union Cross
- Male Connector
- Bulkhead Male Connector
- Male Elbow
- 45 Degree Male Elbow
- 45 Degree Positionable Male Elbow
- Positionable Male Elbow
- Male Run Tee
- Male Branch Tee
- Positionable Male Run Tee
- Female Connector
- Bulkhead Female Connector
- Female Elbow
- Female Run Tee
- Female Branch Tee
Male Connector
Male Connector Tube Fittings Supplier, Male Connector Compression Tube Fittings Exporter, Male Connector Instrumentation Pipe Fittings Stockists in Mumbai, India
Stainless Steel Male Connector Tube Fittings, Alloy Steel Male Connector Tube Fittings, Carbon Steel Male Connector Tube Fittings, Nickel Alloy Male Connector Pipe Fittings Trader
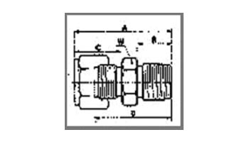
Male connectors are the type of industrial tube fittings that are used to connect a tube to a female thread. Male Connector Fitting offered by us is available in comprehensive range sizes, dimensions, and specifications.
We offer male connector that finds wide application for connecting purpose. We at Numax Steels we are engaged in offering an optimum quality Male Connector Ferrule Fittings that are available in different sizes, dimensions according to client specifications.
These precision engineered tube fittings are manufactured using various ferrous and non-ferrous materials like stainless steel grades include SS 304 & SS 316. Alloy steel, carbon steel, as well as nickel alloy grades including Monel, Inconel, Hastelloy, Duplex Steel, Aluminum, 254 SMO etc. Male Connector Tube Fittings are manufactured to sustain high pressures of Up to 6000 psi. Contact us today to get a free quote!
Monel Male Connector Ferrule Fittings, Hastelloy Male Connector Tube Fittings, Inconel Male Connector Tube Fittings, Aluminum Male Connector Ferrule Fittings Dealer in India
| Imperial Tubing | ||||||||||||||
| Tube O.D inch |
NPT thread | A | C | D | R | W | Min bore | |||||||
| inch | mm | inch | mm | inch | mm | inch | mm | inch | inch | mm | ||||
| 1/16 | 1/16 | 0.92 | 9.7 | 0.43 | 10.9 | 0.78 | 19.8 | 0.38 | 9.7 | 5/16 | 0.05 | 1.3 | ||
| 1/16 | 1/8 | 0.98 | 24.9 | 0.43 | 10.9 | 0.84 | 21.3 | 0.38 | 9.7 | 7/16 | 0.05 | 1.3 | ||
| 1/16 | 1/4 | 1.20 | 30.5 | 0.43 | 10.9 | 1.06 | 26.9 | 0.56 | 14.2 | 9/16 | 0.05 | 1.3 | ||
| 1/8 | 1/16 | 1.16 | 29.5 | 0.60 | 15.2 | 0.91 | 23.1 | 0.38 | 9.7 | 3/8 | 0.09 | 2.3 | ||
| 1/8 | 1/8 | 1.16 | 29.5 | 0.60 | 15.2 | 0.91 | 23.1 | 0.38 | 9.7 | 7/16 | 0.09 | 2.3 | ||
| 1/8 | 1/4 | 1.38 | 35.1 | 0.60 | 15.2 | 1.13 | 28.7 | 0.56 | 14.2 | 9/16 | 0.09 | 2.3 | ||
| 1/8 | 3/8 | 1.41 | 35.8 | 0.60 | 15.2 | 1.15 | 29.2 | 0.56 | 14.2 | 11/16 | 0.09 | 2.3 | ||
| 3/16 | 1/16 | 1.20 | 30.5 | 0.63 | 16.0 | 0.95 | 24.1 | 0.38 | 9.7 | 7/16 | 0.13 | 3.3 | ||
| 3/16 | 1/8 | 1.20 | 30.5 | 0.63 | 16.0 | 0.95 | 24.1 | 0.38 | 9.7 | 7/16 | 0.13 | 3.3 | ||
| 3/16 | 1/4 | 1.41 | 35.8 | 0.63 | 16.0 | 1.16 | 29.5 | 0.56 | 14.2 | 9/16 | 0.13 | 3.3 | ||
| 1/4 | 1/16 | 1.30 | 33.0 | 0.70 | 17.8 | 1.00 | 25.4 | 0.38 | 9.7 | 1/2 | 0.13 | 3.3 | ||
| 1/4 | 1/8 | 1.30 | 33.0 | 0.70 | 17.8 | 1.00 | 25.4 | 0.38 | 9.7 | 1/2 | 0.19 | 4.8 | ||
| 1/4 | 1/4 | 1.49 | 37.9 | 0.70 | 17.8 | 1.19 | 30.2 | 0.56 | 14.2 | 9/16 | 0.19 | 4.8 | ||
| 1/4 | 3/8 | 1.52 | 38.6 | 0.70 | 17.8 | 1.22 | 31.0 | 0.56 | 14.2 | 11/16 | 0.19 | 4.8 | ||
| 1/4 | 1/2 | 1.74 | 44.2 | 0.70 | 17.8 | 1.44 | 36.6 | 0.75 | 19.1 | 7/8 | 0.19 | 4.8 | ||
| 5/16 | 1/8 | 1.34 | 34.0 | 0.73 | 18.6 | 1.05 | 26.7 | 0.38 | 9.7 | 9/16 | 0.19 | 4.8 | ||
| 5/16 | 1/4 | 1.52 | 38.6 | 0.73 | 18.6 | 1.23 | 31.2 | 0.56 | 14.2 | 9/16 | 0.25 | 6.4 | ||
| 5/16 | 3/8 | 1.54 | 39.1 | 0.73 | 18.6 | 1.25 | 31.8 | 0.56 | 14.2 | 11/16 | 0.25 | 6.4 | ||
| 3/8 | 1/8 | 1.38 | 35.1 | 0.76 | 19.3 | 1.09 | 27.7 | 0.38 | 9.7 | 5/8 | 0.19 | 4.8 | ||
| 3/8 | 1/4 | 1.57 | 39.9 | 0.76 | 19.3 | 1.28 | 32.5 | 0.56 | 14.2 | 5/8 | 0.28 | 7.1 | ||
| 3/8 | 3/8 | 1.57 | 39.9 | 0.76 | 19.3 | 1.28 | 32.5 | 0.56 | 14.2 | 11/16 | 0.28 | 7.1 | ||
| 3/8 | 1/2 | 1.79 | 45.5 | 0.76 | 19.3 | 1.50 | 38.1 | 0.75 | 19.1 | 7/8 | 0.28 | 7.1 | ||
| 3/8 | 3/4 | 1.82 | 46.2 | 0.76 | 19.3 | 1.53 | 38.9 | 0.75 | 19.1 | 1.1/16 | 0.28 | 7.1 | ||
| 1/2 | 1/8 | 1.51 | 38.4 | 0.86 | 21.8 | 1.13 | 28.7 | 0.38 | 9.7 | 13/16 | 0.19 | 4.8 | ||
| 1/2 | 1/4 | 1.69 | 42.9 | 0.86 | 21.8 | 1.31 | 33.3 | 0.56 | 14.2 | 13/16 | 0.28 | 7.1 | ||
| 1/2 | 3/8 | 1.69 | 42.9 | 0.86 | 21.8 | 1.31 | 33.3 | 0.56 | 14.2 | 13/16 | 0.41 | 10.4 | ||
| 1/2 | 1/2 | 1.88 | 47.8 | 0.86 | 21.8 | 1.50 | 38.1 | 0.75 | 19.1 | 7/8 | 0.41 | 10.4 | ||
| 1/2 | 3/4 | 1.91 | 48.5 | 0.86 | 21.8 | 1.53 | 38.9 | 0.75 | 19.1 | 1.1/16 | 0.41 | 10.4 | ||
| 1/2 | 1 | 2.26 | 57.2 | 0.86 | 21.8 | 1.88 | 47.8 | 0.94 | 23.9 | 1.3/8 | 0.41 | 10.4 | ||
| 5/8 | 3/8 | 1.72 | 43.7 | 0.86 | 21.8 | 1.34 | 34.0 | 0.56 | 14.2 | 15/16 | 0.41 | 10.4 | ||
| 5/8 | 1/2 | 1.91 | 48.5 | 0.86 | 21.8 | 1.53 | 38.9 | 0.75 | 19.1 | 15/16 | 0.50 | 12.7 | ||
| 5/8 | 3/4 | 1.91 | 48.5 | 0.86 | 21.8 | 1.53 | 38.9 | 0.75 | 19.1 | 1.1/16 | 0.50 | 12.7 | ||
| 3/4 | 1/2 | 1.97 | 50.0 | 0.86 | 21.8 | 1.59 | 40.4 | 0.75 | 19.1 | 1.1/16 | 0.50 | 12.7 | ||
| 3/4 | 3/4 | 1.97 | 50.0 | 0.86 | 21.8 | 1.59 | 40.4 | 0.75 | 19.1 | 1.1/16 | 0.63 | 16. | ||
| 3/4 | 1 | 2.19 | 55.6 | 0.86 | 21.8 | 1.81 | 46.0 | 0.94 | 23.9 | 1.3/8 | 0.63 | 16. | ||
| 7/8 | 3/4 | 1.97 | 50.0 | 0.86 | 21.8 | 1.59 | 40.4 | 0.75 | 19.1 | 1.3/16 | 0.72 | 18.3 | ||
| 1 | 1/2 | 2.25 | 57.2 | 1.04 | 26.4 | 1.78 | 45.2 | 0.75 | 19.1 | 1.3/8 | 0.50 | 12.7 | ||
| 1 | 3/4 | 2.25 | 57.2 | 1.04 | 26.4 | 1.78 | 45.2 | 0.75 | 19.1 | 1.3/8 | 0.72 | 18.3 | ||
| 1 | 1 | 2.44 | 62.0 | 1.04 | 26.4 | 1.97 | 50.0 | 0.94 | 23.9 | 1.3/8 | 0.88 | 22.2 | ||
|
Metric tubing |
||||||||||
| Tube O.D mm | NPT thread | A | C | D | R | W inch | Min bore mm | |||
| mm | mm | mm | mm | |||||||
| 3 | 1/8 | 29.7 | 15.3 | 23.1 | 9.5 | 7/16 | 2.4 | |||
| 3 | 1/4 | 35.3 | 15.3 | 28.7 | 14.3 | 9/16 | 2.4 | |||
| 4 | 1/8</td | 30.4 | 16.1 | 23.8 | 9.5 | 7/16 | 3.0 | |||
| 4 | 1/4 | 36.0 | 16.1 | 29.4 | 14.3 | 9/16 | 3.0 | |||
| 6 | 1/8 | 32.9 | 17.7 | 25.4 | 9.5 | 1/2 | 3.2 | |||
| 6 | 1/4 | 37.7 | 17.7 | 30.2 | 14.3 | 9/16 | 4.8 | |||
| 6 | 3/8 | 38.5 | 17.7 | 31.0 | 14.3 | 11/16 | 4.8 | |||
| 6 | 1/2 | 44.0 | 17.7 | 36.5 | 19.1 | 7/8 | 4.8 | |||
| 8 | 1/8 | 34.2 | 18.6 | 26.7 | 9.5 | 9/16 | 4.8 | |||
| 8 | 1/4 | 38.7 | 18.6 | 31.2 | 14.3 | 9/16 | 6.4 | |||
| 8 | 3/8 | 39.3 | 18.6 | 31.8 | 14.3 | 11/16 | 6.4 | |||
| 8 | 1/2 | 44.8 | 18.6 | 37.3 | 19.1 | 7/8 | 6.4 | |||
| 10 | 1/4 | 40.9 | 19.5 | 33.3 | 14.3 | 11/16 | 7.1 | |||
| 10 | 3/8 | 40.9 | 19.5 | 33.3 | 14.3 | 11/16 | 7.9 | |||
| 10 | 1/2 | 45.7 | 19.5 | 38.1 | 19.1 | 7/8 | 7.9 | |||
| 12 | 1/4 | 43.4 | 22.0 | 33.3 | 14.3 | 13/16 | 7.1 | |||
| 12 | 3/8 | 43.4 | 22.0 | 33.3 | 14.3 | 13/16 | 9.5 | |||
| 12 | 1/2 | 48.2 | 22.0 | 38.1 | 19.1 | 7/8 | 9.5 | |||
| 12 | 3/4 | 49.0 | 22.0 | 38.9 | 19.1 | 1.1/16 | 9.5 | |||
| 16 | 3/8 | 44.2 | 22.0 | 34.1 | 14.3 | 15/16 | 10.3 | |||
| 16 | 1/2 | 49.0 | 22.0 | 38.9 | 19.1 | 15/16 | 12.7 | |||
| 16 | 3/4 | 49.0 | 22.0 | 38.9 | 19.1 | 1.1/16 | 12.7 | |||
| 18 | 1/2 | 50.6 | 22.0 | 40.5 | 19.1 | 1.1/16 | 12.7 | |||
| 18 | 3/4 | 50.6 | 22.0 | 40.5 | 19.1 | 1.1/16 | 15.1 | |||
| 20 | 1/2 | 50.6 | 22.0 | 42.2 | 19.1 | 1.3/16 | 12.7 | |||
| 20 | 3/4 | 52.3 | 22.0 | 42.2 | 19.1 | 1.3/16 | 15.9 | |||
| 25 | 3/4 | 57.5 | 26.5 | 45.2 | 19.1 | 1.3/8 | 18.3 | |||
| 25 | 1 | 62.3 | 26.5 | 50.0 | 23.8 | 1.3/8 | 22.2 | |||
| Tube O.D | BSP Tr thread | A | C | D | R | W | X | Min bore | ||||||
| inch | inch | mm | inch | mm | inch | mm | inch | mm | inch | inch | mm | inch | mm | |
| 1/8 | 1/4 | 1.27 | 32.3 | 0.60 | 15.2 | 1.13 | 28.7 | 0.44 | 11.2 | 3/4 | 0.70 | 17.8 | 0.09 | 2.3 |
| 1/4 | 1/8 | 1.28 | 32.5 | 0.70 | 17.8 | 0.98 | 24.9 | 0.28 | 7.1 | 9/16 | 0.54 | 13.7 | 0.16 | 4.1 |
| 1/4 | 1/4 | 1.49 | 37.9 | 0.70 | 17.8 | 1.19 | 30.2 | 0.44 | 11.2 | 3/4 | 0.70 | 17.8 | 0.19 | 4.8 |
| 1/4 | 3/8 | 1.55 | 39.4 | 0.70 | 17.8 | 1.25 | 31.8 | 0.44 | 11.2 | 7/8 | 0.86 | 21.8 | 0.19 | 4.8 |
| 1/4 | 1/2 | 1.77 | 45.0 | 0.70 | 17.8 | 1.47 | 37.3 | 0.56 | 14.2 | 1.1/16 | 1.01 | 25.7 | 0.19 | 4.8 |
| 3/8 | 1/8 | 1.35 | 34.3 | 0.76 | 19.3 | 1.06 | 26.9 | 0.28 | 7.1 | 5/8 | 0.54 | 13.7 | 0.16 | 4.1 |
| 3/8 | 1/4 | 1.54 | 39.1 | 0.76 | 19.3 | 1.25 | 31.8 | 0.44 | 11.2 | 3/4 | 0.70 | 17.8 | 0.25 | 6.4 |
| 3/8 | 3/8 | 1.57 | 39.9 | 0.76 | ||||||||||
| Tube O.D mm | NPT thread | A | C | D | R | W | Min bore | ||
| mm | mm | mm | mm | inch | mm | ||||
| 3 | 1/8 | 29.7 | 15.3 | 23.1 | 9.5 | 7/16 | 2.4 | ||
| 3 | 1/4 | 35.3 | 15.3 | 28.7 | 14.3 | 9/16 | 2.4 | ||
| 4 | 1/8 | 30.4 | 16.1 | 23.8 | 9.5 | 7/16 | 3.0 | ||
| 4 | 1/4 | 36.0 | 16.1 | 29.4 | 14.3 | 9/16 | 3.0 | ||
| 6 | 1/8 | 32.9 | 17.7 | 25.4 | 9.5 | 1/2 | 3.2 | ||
| 6 | 1/4 | 37.7 | 17.7 | 30.2 | 14.3 | 9/16 | 4.8 | ||
| 6 | 3/8 | 38.5 | 17.7 | 31.0 | 14.3 | 11/16 | 4.8 | ||
| 6 | 1/2 | 44.0 | 17.7 | 36.5 | 19.1 | 7/8 | 4.8 | ||
| 8 | 1/8 | 34.2 | 18.6 | 26.7 | 9.5 | 9/16 | 4.8 | ||
| 8 | 1/4 | 38.7 | 18.6 | 31.2 | 14.3 | 9/16 | 6.4 | ||
| 8 | 3/8 | 39.3 | 18.6 | 31.8 | 14.3 | 11/16 | 6.4 | ||
| 8 | 1/2 | 44.8 | 18.6 | 37.3 | 19.1 | 7/8 | 6.4 | ||
| 10 | 1/4 | 40.9 | 19.5 | 33.3 | 14.3 | 11/16 | 7.1 | ||
| 10 | 3/8 | 40.9 | 19.5 | 33.3 | 14.3 | 11/16 | 7.9 | ||
| 10 | 1/2 | 45.7 | 19.5 | 38.1 | 19.1 | 7/8 | 7.9 | ||
| 12 | 1/4 | 43.4 | 22.0 | 33.3 | 14.3 | 13/16 | 7.1 | ||
| 12 | 3/8 | 43.4 | 22.0 | 33.3 | 14.3 | 13/16 | 9.5 | ||
| 12 | 1/2 | 48.2 | 22.0 | 38.1 | 19.1 | 7/8 | 9.5 | ||
| 12 | 3/4 | 49.0 | 22.0 | 38.9 | 19.1 | 1.1/16 | 9.5 | ||
| 16 | 3/8 | 44.2 | 22.0 | 34.1 | 14.3 | 15/16 | 10.3 | ||
| 16 | 1/2 | 49.0 | 22.0 | 38.9 | 19.1 | 15/16 | 12.7 | ||
| 16 | 3/4 | 49.0 | 22.0 | 38.9 | 19.1 | 1.1/16 | 12.7 | ||
| 18 | 1/2 | 50.6 | 22.0 | 40.5 | 19.1 | 1.1/16 | 12.7 | ||
| 18 | 3/4 | 50.6 | 22.0 | 40.5 | 19.1 | 1.1/16 | 15.1 | ||
| 20 | 1/2 | 50.6 | 22.0 | 42.2 | 19.1 | 1.3/16 | 12.7 | ||
| 20 | 3/4 | 52.3 | 22.0 | 42.2 | 19.1 | 1.3/16 | 15.9 | ||
| 25 | 3/4 | 57.5 | 26.5 | 45.2 | 19.1 | 1.3/8 | 18.3 | ||
| 25 | 1 | 62.3 | 26.5 | 50.0 | 23.8 | 1.3/8 | 22.2 | ||
Price List of Male Connector
Numax Steels is one of the most competitive suppliers of pipes and tubes from India. Our prices for Male Connector are very competitive. Please click on the enquiry button or click here to request the updated price list and ready stock information along with your requirement. Numax Steels maintains a stock of all standard items and can export them at the best price for Male Connector.
We Export To
Sudan, Freetown, Russia, Fez, Soweto, Cyprus, Houston, Vietnam, Port Elizabeth, Dubai, Maiduguri, Mbuji-Mayi, Giza, Dakar, Ethiopa, Casablanca, Thailand (Bangkok), Cairo, Algeria, Antananarivo, Luanda, Oman, Addis Ababa, Tunisia, Subra al-Haymah, Kolwezi, Kampala, London, Accra, Iraq, South Africa, Maputo, Bulawayo, Hong Kong, Chine, Trinidad and Tobago, Johannesburg, Kazakhstan, Peru, Zaria, Rabat, Ibadan, Khartoum, Abu Dhabi, Cape Town, Durban, Israel, Lubumbashi, Iran, Singapore, Kinshasa, Brazzaville, Mogadishu, Colombo, Cameroon, Bamako, Venezuela, Tripoli, United States, Alexandria, Nigeria, Omdurman, Brazil, Democratic Republic of the Congo, Abidjan, Malaysia, UK, Pretoria, Saudi Arabia, Yaoundé, Dar es Salaam, Conakry, Canada, Colombia, Turkey, Qatar, Mozambique, Douala, Algiers, Azerbaijan, New Zealand, Lagos, Nairobi, Harare, Australia, Kano, Indonesia, UAE, Morocco, Germany, Sri Lanka, Benin, New York, Port Harcourt, Egypt, Italy, Africa, Yemen, Mexico, Kuwait, Ouagadougou, Kaduna, Argentina, Lebanon, Ghana, Angola, Jordan, Uganda, Bahrain.We Supply To
Sadar, Miryalaguda, Tadepalligudem, Johannesburg, Ballia, Chennai, Colombo, Lebanon, Mizoram, Kerala, Udgir, Harare, Pune, Kolkata, Buxar, Khartoum, Dakar, Betul, Nairobi, Douala, Ouagadougou, Rabat, Accra, Dar es Salaam, Conakry, Yaoundé, Puducherry, Democratic Republic of the Congo, Pretoria, Nagapattinam, Maputo, Bangalore, Russia, Thailand (Bangkok), Delhi, Bhiwadi, Alexandria, Lucknow, Ambala, Bulawayo, Venezuela, Mogadishu, Fez, Addis Ababa, Abidjan, Manipur, Bansberia, Singapore, Baraut, Cyprus, Cameroon, Karnataka, Muktsar, Uganda, Lagos, Omdurman, Soweto, Yemen, Oman, Ethiopa, Suryapet, Durban, Freetown, Ghana, Ahmedabad, Cape Town, Antananarivo, Algeria, Kano, Kinshasa, Zaria, Abu Dhabi, New York, Lubumbashi, Cairo, Tripoli, Bamako, Algiers, Kolwezi, Casablanca, Andhra Pradesh, Subra al-Haymah, Kaduna, Giza, Hong Kong, Luanda, Mbuji-Mayi, Mumbai, Kampala, Bundi, Maharashtra, Jordan, Angola, Maiduguri, Port Harcourt, Surat, Qatar, Brazzaville, Mozambique, Hyderabad, Morocco, Benin, Ibadan, India, Jamalpur, Jaipur, Port Elizabeth, Benin, Tripura.
Request A Quote
View Certificate
Weight Calculator
Download Brochure