Stainless Steel Weld Neck Flanges Manufacturer
ANSI B 16.5, ASME B 16.47 Stainless Steel Weld Neck Flange, ASTM A182 SS WNRF Flanges, SS Weld Neck Raised Face Flanges Stockist & Exporter
At Numax Steels, we are highly engaged in offering a wide range of Stainless Steel Weld Neck Flanges. These SS Welded Neck Flanges are manufactured and designed in a diverse range of sizes and grades like 304, 316, 304L, 316L, 310 etc.
Our range includes Steel Raised Weld Neck Flanges or WNRF Flanges which are widely used establish the connection of pipes and deliver the maximum level of stability in the functionality of these vital structures. Moreover, our product ensures accuracy and precision so that our clients get value for their money. Clients can avail this product at industry leading prices from us.
We offer the leverage to our clients to make the order according to their specifications and requirements. Our offered range of Stainless steel raised face weld neck flanges are used to block the end of a pipe system or valve. They are widely used in power plant, chemical & food, and drilling & well building industries. Contact us today to request a free quote or send an inquiry!
Stainless Steel 304 Weld Neck Flange, SS 310 Weld Neck Flange, SS UNS S30400/ S31000 Flanges, Stainless Steel Werkstoff Nr. 1.4301 / 1.4401 Pipe Flanges Manufacturer & Supplier in India
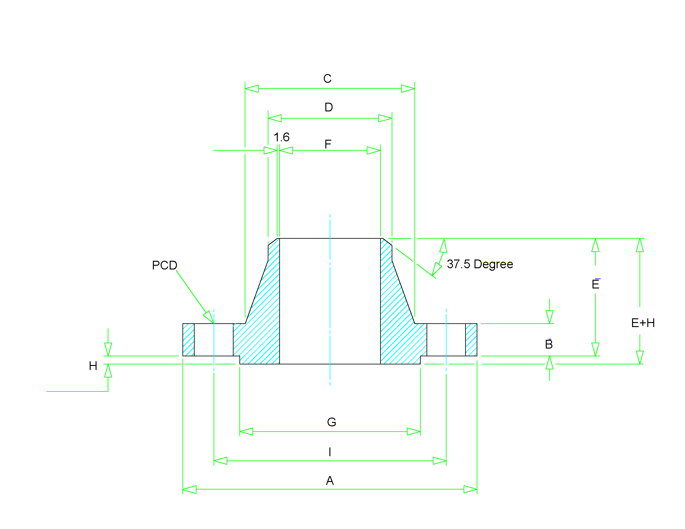
| Dimensions |
ANSI Flanges, ASME Flanges, BS Flanges, DIN Flanges, EN Flanges etc. |
| Standard |
ANSI B16.5, ANSI B16.47 Series A & B, MSS SP44, ASA, API-605, AWWA, Custom Drawings |
| Class |
150 LBS, 300 LBS, 600 LBS, 900 LBS, 1500 LBS, 2500 LBS, DIN Standard ND-6,10, 16, 25, 40 Etc. |
| Size |
1/8″ NB TO 48″NB. |
| Types of Flanges |
Flat Face (FF), Raised Face (RF), Ring Type Joint (RTJ) |
| DIN |
DIN2527, DIN2566, DIN2573, DIN2576, DIN2641, DIN2642, DIN2655, DIN2656, DIN2627, DIN2628, DIN2629, DIN 2631, DIN2632, DIN2633, DIN2634, DIN2635, DIN2636, DIN2637, DIN2638, DIN2673 |
| BS |
BS4504 , BS4504, BS1560, BS10 |
| Stainless Steel Weld Neck Flanges |
ASTM A 182, A 240 F 304, 304L, 304H, 316, 316L, 316Ti, 310, 310S, 321, 321H, 317, 347, 347H,904L |
| Size in Inch |
Size in mm |
Outer Diameter |
Flange Thick. |
Hub OD |
Weld Neck OD |
Welding Neck Length |
RF Diameter |
RF Height |
PCD |
Weld Face |
| |
|
A |
B |
C |
D |
E |
F |
G |
H |
I |
| 1/2 |
15 |
90 |
9.6 |
30 |
21.3 |
46 |
34.9 |
2 |
60.3 |
1.6 |
| 3/4 |
20 |
100 |
11.2 |
38 |
26.7 |
51 |
42.9 |
2 |
69.9 |
1.6 |
| 1 |
25 |
110 |
12.7 |
49 |
33.4 |
54 |
50.8 |
2 |
79.4 |
1.6 |
| 1 1/4 |
32 |
115 |
14.3 |
59 |
42.2 |
56 |
63.5 |
2 |
88.9 |
1.6 |
| 1 1/2 |
40 |
125 |
15.9 |
65 |
48.3 |
60 |
73 |
2 |
98.4 |
1.6 |
| 2 |
50 |
150 |
17.5 |
78 |
60.3 |
62 |
92.1 |
2 |
120.7 |
1.6 |
| 2 1/2 |
65 |
180 |
20.7 |
90 |
73 |
68 |
104.8 |
2 |
139.7 |
1.6 |
| 3 |
80 |
190 |
22.3 |
108 |
88.9 |
68 |
127 |
2 |
152.4 |
1.6 |
| 3 1/2 |
90 |
215 |
22.3 |
122 |
101.6 |
70 |
139.7 |
2 |
177.8 |
1.6 |
| 4 |
100 |
230 |
22.3 |
135 |
114.3 |
75 |
157.2 |
2 |
190.5 |
1.6 |
| 5 |
125 |
255 |
22.3 |
164 |
141.3 |
87 |
185.7 |
2 |
215.9 |
1.6 |
| 6 |
150 |
280 |
23.9 |
192 |
168.3 |
87 |
215.9 |
2 |
241.3 |
1.6 |
| 8 |
200 |
345 |
27 |
246 |
219.1 |
100 |
269.9 |
2 |
298.5 |
1.6 |
| 10 |
250 |
405 |
28.6 |
305 |
273 |
100 |
323.8 |
2 |
362 |
1.6 |
| 12 |
300 |
485 |
30.2 |
365 |
323.8 |
113 |
381 |
2 |
431.8 |
1.6 |
| 14 |
350 |
535 |
33.4 |
400 |
355.6 |
125 |
412.8 |
2 |
476.3 |
1.6 |
| 16 |
400 |
595 |
35 |
457 |
406.4 |
125 |
469.9 |
2 |
539.8 |
1.6 |
| 18 |
450 |
635 |
38.1 |
505 |
457.2 |
138 |
533.4 |
2 |
577.9 |
1.6 |
| 20 |
500 |
700 |
41.3 |
559 |
508 |
143 |
584.2 |
2 |
635 |
1.6 |
| 24 |
600 |
815 |
46.1 |
663 |
610 |
151 |
692.2 |
2 |
749.3 |
1.6 |
| Size in Inch |
Size in mm |
No of Bolts |
Bolt Size UNC |
Machine Bolt Length |
RF Stud Length |
Hole Size |
ISO Stud Size |
Weight in kg |
| 1/2 |
15 |
4 |
1/2 |
50 |
55 |
5/8 |
M14 |
0.6 |
| 3/4 |
20 |
4 |
1/2 |
50 |
65 |
5/8 |
M14 |
0.9 |
| 1 |
25 |
4 |
1/2 |
55 |
65 |
5/8 |
M14 |
1.4 |
| 1 1/4 |
32 |
4 |
1/2 |
55 |
70 |
5/8 |
M14 |
1.4 |
| 1 1/2 |
40 |
4 |
1/2 |
65 |
70 |
5/8 |
M14 |
1.8 |
| 2 |
50 |
4 |
5/8 |
70 |
85 |
3/4 |
M16 |
2.7 |
| 2 1/2 |
65 |
4 |
5/8 |
75 |
90 |
3/4 |
M16 |
3.7 |
| 3 |
80 |
4 |
5/8 |
75 |
90 |
3/4 |
M16 |
4.6 |
| 3 1/2 |
90 |
8 |
5/8 |
75 |
90 |
3/4 |
M16 |
5.5 |
| 4 |
100 |
8 |
5/8 |
75 |
90 |
3/4 |
M16 |
6.8 |
| 5 |
125 |
8 |
3/4 |
85 |
95 |
7/8 |
M20 |
8.7 |
| 6 |
150 |
8 |
3/4 |
85 |
100 |
7/8 |
M20 |
10.9 |
| 8 |
200 |
8 |
3/4 |
90 |
110 |
7/8 |
M20 |
17.7 |
| 10 |
250 |
12 |
7/8 |
100 |
115 |
1 |
M24 |
24 |
| 12 |
300 |
12 |
7/8 |
100 |
120 |
1 |
M24 |
37 |
| 14 |
350 |
12 |
1 |
115 |
135 |
1 1/8 |
M27 |
50 |
| 16 |
400 |
16 |
1 |
115 |
135 |
1 1/8 |
M27 |
64 |
| 18 |
450 |
16 |
1 1/8 |
125 |
145 |
1 1/4 |
M30 |
68 |
| 20 |
500 |
20 |
1 1/8 |
140 |
160 |
1 1/4 |
M30 |
82 |
| 24 |
600 |
20 |
1 1/4 |
150 |
170 |
1 3/8 |
M33 |
118 |
| Size in Inch |
Size in mm |
Outer Diameter |
Flange Thick. |
Hub OD |
Weld Neck OD |
Welding Neck Length |
RF Diameter |
RF Height |
PCD |
Weld Face |
| |
|
A |
B |
C |
D |
E |
F |
G |
H |
I |
| 1/2 |
15 |
95 |
12.7 |
38 |
21.3 |
51 |
34.9 |
2 |
66.7 |
1.6 |
| 3/4 |
20 |
115 |
14.3 |
48 |
26.7 |
56 |
42.9 |
2 |
82.6 |
1.6 |
| 1 |
25 |
125 |
15.9 |
54 |
33.4 |
60 |
50.8 |
2 |
88.9 |
1.6 |
| 1 1/4 |
32 |
135 |
17.5 |
64 |
42.2 |
64 |
63.5 |
2 |
98.4 |
1.6 |
| 1 1/2 |
40 |
155 |
19.1 |
70 |
48.3 |
67 |
73 |
2 |
114.3 |
1.6 |
| 2 |
50 |
165 |
20.7 |
84 |
60.3 |
68 |
92.1 |
2 |
127 |
1.6 |
| 2 1/2 |
65 |
190 |
23.9 |
100 |
73 |
75 |
104.8 |
2 |
149.2 |
1.6 |
| 3 |
80 |
210 |
27 |
117 |
88.9 |
78 |
127 |
2 |
168.3 |
1.6 |
| 3 1/2 |
90 |
230 |
28.6 |
133 |
101.6 |
79 |
139.7 |
2 |
184.2 |
1.6 |
| 4 |
100 |
255 |
30.2 |
146 |
114.3 |
84 |
157.2 |
2 |
200 |
1.6 |
| 5 |
125 |
280 |
33.4 |
178 |
141.3 |
97 |
185.7 |
2 |
235 |
1.6 |
| 6 |
150 |
320 |
35 |
206 |
168.3 |
97 |
215.9 |
2 |
269.9 |
1.6 |
| 8 |
200 |
380 |
39.7 |
260 |
219.1 |
110 |
269.9 |
2 |
330.2 |
1.6 |
| 10 |
250 |
445 |
46.1 |
321 |
273 |
116 |
323.8 |
2 |
387.4 |
1.6 |
| 12 |
300 |
520 |
49.3 |
375 |
323.8 |
129 |
381 |
2 |
450.8 |
1.6 |
| 14 |
350 |
585 |
52.4 |
425 |
355.6 |
141 |
412.8 |
2 |
514.4 |
1.6 |
| 16 |
400 |
650 |
55.6 |
483 |
406.4 |
144 |
469.9 |
2 |
571.5 |
1.6 |
| 18 |
450 |
710 |
58.8 |
533 |
457 |
157 |
533.4 |
2 |
628.6 |
1.6 |
| 20 |
500 |
775 |
62 |
587 |
508 |
160 |
584.2 |
2 |
685.8 |
1.6 |
| 24 |
600 |
915 |
68.3 |
702 |
610 |
167 |
692.2 |
2 |
812.8 |
1.6 |
| Size in Inch |
Size in mm |
No of Bolts |
Bolt Size UNC |
Machine Bolt Length |
RF Stud Length |
Hole Size |
ISO Stud Size |
Weight in kg |
| 1/2 |
15 |
4 |
1/2 |
55 |
65 |
5/8 |
M14 |
1.4 |
| 3/4 |
20 |
4 |
5/8 |
65 |
75 |
3/4 |
M16 |
1.4 |
| 1 |
25 |
4 |
5/8 |
65 |
75 |
3/4 |
M16 |
1.8 |
| 1 1/4 |
32 |
4 |
5/8 |
70 |
85 |
3/4 |
M16 |
2.3 |
| 1 1/2 |
40 |
4 |
3/4 |
75 |
90 |
7/8 |
M20 |
3.2 |
| 2 |
50 |
8 |
5/8 |
75 |
90 |
3/4 |
M16 |
4.1 |
| 2 1/2 |
65 |
8 |
3/4 |
85 |
100 |
7/8 |
M20 |
5.5 |
| 3 |
80 |
8 |
3/4 |
90 |
110 |
7/8 |
M20 |
6.8 |
| 3 1/2 |
90 |
8 |
3/4 |
95 |
110 |
7/8 |
M20 |
8.2 |
| 4 |
100 |
8 |
3/4 |
95 |
115 |
7/8 |
M20 |
11.4 |
| 5 |
125 |
8 |
3/4 |
110 |
120 |
7/8 |
M20 |
14.6 |
| 6 |
150 |
12 |
3/4 |
110 |
120 |
7/8 |
M20 |
19.1 |
| 8 |
200 |
12 |
7/8 |
120 |
140 |
1 |
M24 |
31 |
| 10 |
250 |
16 |
1 |
140 |
160 |
1 1/8 |
M27 |
42 |
| 12 |
300 |
16 |
1 1/8 |
145 |
170 |
1 1/4 |
M30 |
64 |
| 14 |
350 |
20 |
1 1/8 |
160 |
180 |
1 1/4 |
M30 |
82 |
| 16 |
400 |
20 |
1 1/4 |
165 |
190 |
1 3/8 |
M33 |
113 |
| 18 |
450 |
24 |
1 1/4 |
170 |
195 |
1 3/8 |
M33 |
145 |
| 20 |
500 |
24 |
1 1/4 |
185 |
205 |
1 3/8 |
M33 |
182 |
| 24 |
600 |
24 |
1 1/2 |
205 |
230 |
1 5/8 |
M39 |
264 |
| Size in Inch |
Size in mm |
Outer Diameter |
Flange Thickness |
Hub OD |
Weld Neck OD |
Welding Neck Length |
RF Diameter |
RF Height |
PCD |
Weld Face |
| |
|
A |
B |
C |
D |
E |
F |
G |
H |
I |
| 1/2 |
15 |
95 |
14.3 |
38 |
21.3 |
52 |
34.9 |
7 |
66.7 |
1.6 |
| 3/4 |
20 |
115 |
15.9 |
48 |
26.7 |
57 |
42.9 |
7 |
82.6 |
1.6 |
| 1 |
25 |
125 |
17.5 |
54 |
33.4 |
62 |
50.8 |
7 |
88.9 |
1.6 |
| 1 1/4 |
32 |
135 |
20.7 |
64 |
42.2 |
67 |
63.5 |
7 |
98.4 |
1.6 |
| 1 1/2 |
40 |
155 |
22.3 |
70 |
48.3 |
70 |
73 |
7 |
114.3 |
1.6 |
| 2 |
50 |
165 |
25.4 |
84 |
60.3 |
73 |
92.1 |
7 |
127 |
1.6 |
| 2 1/2 |
65 |
190 |
28.6 |
100 |
73 |
79 |
104.8 |
7 |
149.2 |
1.6 |
| 3 |
80 |
210 |
31.8 |
117 |
88.9 |
83 |
127 |
7 |
168.3 |
1.6 |
| 3 1/2 |
90 |
230 |
35 |
133 |
101.6 |
86 |
139.7 |
7 |
184.2 |
1.6 |
| 4 |
100 |
255 |
35 |
146 |
114.3 |
89 |
157.2 |
7 |
200 |
1.6 |
| 5 |
125 |
280 |
38.1 |
178 |
141.3 |
102 |
185.7 |
7 |
235 |
1.6 |
| 6 |
150 |
320 |
41.3 |
206 |
168.3 |
103 |
215.9 |
7 |
269.9 |
1.6 |
| 8 |
200 |
380 |
47.7 |
260 |
219.1 |
117 |
269.9 |
7 |
330 |
1.6 |
| 10 |
250 |
445 |
54 |
321 |
273 |
124 |
323.8 |
7 |
387.4 |
1.6 |
| 12 |
300 |
520 |
57.2 |
375 |
323.8 |
137 |
381 |
7 |
450.8 |
1.6 |
| 14 |
350 |
585 |
60.4 |
425 |
355.6 |
149 |
412.8 |
7 |
514.4 |
1.6 |
| 16 |
400 |
650 |
63.5 |
483 |
406.4 |
152 |
469.9 |
7 |
571.5 |
1.6 |
| 18 |
450 |
710 |
66.7 |
533 |
457 |
165 |
533.4 |
7 |
628.6 |
1.6 |
| 20 |
500 |
775 |
69.9 |
587 |
508 |
168 |
584.2 |
7 |
685.8 |
1.6 |
| 24 |
600 |
915 |
76.2 |
702 |
610 |
175 |
692.2 |
7 |
812.8 |
1.6 |
| Size in Inch |
Size in mm |
No of Bolts |
Bolt Size UNC |
RF Stud Length |
Hole Size |
ISO Stud Size |
| 1/2 |
15 |
4 |
1/2 |
75 |
5/8 |
M14 |
| 3/4 |
20 |
4 |
5/8 |
90 |
3/4 |
M16 |
| 1 |
25 |
4 |
5/8 |
90 |
3/4 |
M16 |
| 1 1/4 |
32 |
4 |
5/8 |
95 |
3/4 |
M16 |
| 1 1/2 |
40 |
4 |
3/4 |
110 |
7/8 |
M20 |
| 2 |
50 |
8 |
5/8 |
110 |
3/4 |
M16 |
| 2 1/2 |
65 |
8 |
3/4 |
120 |
7/8 |
M20 |
| 3 |
80 |
8 |
3/4 |
125 |
7/8 |
M20 |
| 3 1/2 |
90 |
8 |
7/8 |
140 |
1 |
M24 |
| 4 |
100 |
8 |
7/8 |
140 |
1 |
M24 |
| 5 |
125 |
8 |
7/8 |
145 |
1 |
M24 |
| 6 |
150 |
12 |
7/8 |
150 |
1 |
M24 |
| 8 |
200 |
12 |
1 |
170 |
1 1/8 |
M27 |
| 10 |
250 |
16 |
1 1/8 |
190 |
1 1/4 |
M30 |
| 12 |
300 |
16 |
1 1/4 |
205 |
1 3/8 |
M33 |
| 14 |
350 |
20 |
1 1/4 |
210 |
1 3/8 |
M33 |
| 16 |
400 |
20 |
1 3/8 |
220 |
1 1/2 |
M36 |
| 18 |
450 |
24 |
1 3/8 |
230 |
1 1/2 |
M36 |
| 20 |
500 |
24 |
1 1/2 |
240 |
1 3/4 |
M39 |
| 24 |
600 |
24 |
1 3/4 |
265 |
1 7/8 |
M45 |
| Size in Inch |
Size in mm |
Outer Diameter |
Flange Thickness |
Hub OD |
Weld Neck OD |
Welding Neck Length |
RF Diameter |
RF Height |
PCD |
Weld Face |
| |
|
A |
B |
C |
D |
E |
F |
G |
H |
I |
| 1/2 |
15 |
95 |
14.3 |
38 |
21.3 |
52 |
34.9 |
7 |
66.7 |
1.6 |
| 3/4 |
20 |
115 |
15.9 |
48 |
26.7 |
57 |
42.9 |
7 |
82.6 |
1.6 |
| 1 |
25 |
125 |
17.5 |
54 |
33.4 |
62 |
50.8 |
7 |
88.9 |
1.6 |
| 1 1/4 |
32 |
135 |
20.7 |
64 |
42.2 |
67 |
63.5 |
7 |
98.4 |
1.6 |
| 1 1/2 |
40 |
155 |
22.3 |
70 |
48.3 |
70 |
73 |
7 |
114.3 |
1.6 |
| 2 |
50 |
165 |
25.4 |
84 |
60.3 |
73 |
92.1 |
7 |
127 |
1.6 |
| 2 1/2 |
65 |
190 |
28.6 |
100 |
73 |
79 |
104.8 |
7 |
149.2 |
1.6 |
| 3 |
80 |
210 |
31.8 |
117 |
88.9 |
83 |
127 |
7 |
168.3 |
1.6 |
| 3 1/2 |
90 |
230 |
35 |
133 |
101.6 |
86 |
139.7 |
7 |
184.2 |
1.6 |
| 4 |
100 |
275 |
38.1 |
152 |
114.3 |
102 |
157.2 |
7 |
215.9 |
1.6 |
| 5 |
125 |
330 |
44.5 |
189 |
141.3 |
114 |
185.7 |
7 |
266.7 |
1.6 |
| 6 |
150 |
355 |
47.7 |
222 |
168.3 |
117 |
215.9 |
7 |
292.1 |
1.6 |
| 8 |
200 |
420 |
55.6 |
273 |
219.1 |
133 |
269.9 |
7 |
349.2 |
1.6 |
| 10 |
250 |
510 |
63.5 |
343 |
273 |
152 |
323.8 |
7 |
431.8 |
1.6 |
| 12 |
300 |
560 |
66.7 |
400 |
323.8 |
156 |
381 |
7 |
489 |
1.6 |
| 14 |
350 |
605 |
69.9 |
432 |
355.6 |
165 |
412.8 |
7 |
527 |
1.6 |
| 16 |
400 |
685 |
76.2 |
495 |
406.4 |
178 |
469.9 |
7 |
603.2 |
1.6 |
| 18 |
450 |
745 |
82.6 |
546 |
457 |
184 |
533.4 |
7 |
654 |
1.6 |
| 20 |
500 |
815 |
88.9 |
610 |
508 |
190 |
584.2 |
7 |
723.9 |
1.6 |
| 24 |
600 |
940 |
101.6 |
718 |
610 |
203 |
692.2 |
7 |
1.6 |
| Size in Inch |
Size in mm |
No of Bolts |
Bolt Size UNC |
RF Stud Length |
Hole Size |
ISO Stud Size |
Weight in kg |
| 1/2 |
15 |
4 |
1/2 |
75 |
5/8 |
M14 |
1.5 |
| 3/4 |
20 |
4 |
5/8 |
90 |
3/4 |
M16 |
1.8 |
| 1 |
25 |
4 |
5/8 |
90 |
3/4 |
M16 |
1.8 |
| 1 1/4 |
32 |
4 |
5/8 |
95 |
3/4 |
M16 |
2.7 |
| 1 1/2 |
40 |
4 |
3/4 |
110 |
7/8 |
M20 |
3.7 |
| 2 |
50 |
8 |
5/8 |
110 |
3/4 |
M16 |
5.5 |
| 2 1/2 |
65 |
8 |
3/4 |
120 |
7/8 |
M20 |
8.2 |
| 3 |
80 |
8 |
3/4 |
125 |
7/8 |
M20 |
10.5 |
| 3 1/2 |
90 |
8 |
7/8 |
140 |
1 |
M24 |
11.8 |
| 4 |
100 |
8 |
7/8 |
145 |
1 |
M24 |
19.1 |
| 5 |
125 |
8 |
1 |
165 |
1 1/8 |
M27 |
31 |
| 6 |
150 |
12 |
1 |
170 |
1 1/8 |
M27 |
36 |
| 8 |
200 |
12 |
1 1/8 |
190 |
1 1/4 |
M30 |
55 |
| 10 |
250 |
16 |
1 1/4 |
215 |
1 3/8 |
M33 |
86 |
| 12 |
300 |
20 |
1 1/4 |
220 |
1 3/8 |
M33 |
102 |
| 14 |
350 |
20 |
1 3/8 |
235 |
1 1/2 |
M36 |
127 |
| 16 |
400 |
20 |
1 1/2 |
255 |
1 5/8 |
M39 |
177 |
| 18 |
450 |
20 |
1 5/8 |
275 |
1 3/4 |
M42 |
216 |
| 20 |
500 |
24 |
1 5/8 |
285 |
1 3/4 |
M42 |
268 |
| 24 |
600 |
24 |
1 7/8 |
330 |
2 |
M48 |
377 |
| Size in Inch |
Size in mm |
Outer Diameter |
Flange Thickness |
Hub OD |
Weld Neck OD |
Welding Neck Length |
RF Diameter |
RF Height |
PCD |
Weld Face |
| |
|
A |
B |
C |
D |
E |
F |
G |
H |
I |
| 1/2 |
15 |
120 |
22.3 |
38 |
21.3 |
60 |
34.9 |
7 |
82.6 |
1.6 |
| 3/4 |
20 |
130 |
25.4 |
44 |
26.7 |
70 |
42.9 |
7 |
88.9 |
1.6 |
| 1 |
25 |
150 |
28.6 |
52 |
33.4 |
73 |
50.8 |
7 |
101.6 |
1.6 |
| 1 1/4 |
32 |
160 |
28.6 |
64 |
42.2 |
73 |
63.5 |
7 |
111.1 |
1.6 |
| 1 1/2 |
40 |
180 |
31.8 |
70 |
48.3 |
83 |
73 |
7 |
123.8 |
1.6 |
| 2 |
50 |
215 |
38.1 |
105 |
60.3 |
102 |
92.1 |
7 |
165.1 |
1.6 |
| 2 1/2 |
65 |
245 |
41.3 |
124 |
73 |
105 |
104.8 |
7 |
190.5 |
1.6 |
| 3 |
80 |
240 |
38.1 |
127 |
88.9 |
102 |
127 |
7 |
190.5 |
1.6 |
| 4 |
100 |
290 |
44.5 |
159 |
114.3 |
114 |
157.2 |
7 |
235 |
1.6 |
| 5 |
125 |
350 |
50.8 |
190 |
141.3 |
127 |
185.7 |
7 |
279.4 |
1.6 |
| 6 |
150 |
380 |
55.6 |
235 |
168.3 |
140 |
215.9 |
7 |
317.5 |
1.6 |
| 8 |
200 |
470 |
63.5 |
298 |
219.1 |
162 |
269.9 |
7 |
393.7 |
1.6 |
| 10 |
250 |
545 |
69.9 |
368 |
273 |
184 |
323.8 |
7 |
469.9 |
1.6 |
| 12 |
300 |
610 |
79.4 |
419 |
323.8 |
200 |
381 |
7 |
533.4 |
1.6 |
| 14 |
350 |
640 |
85.8 |
451 |
355.6 |
213 |
412.8 |
7 |
558.8 |
1.6 |
| 16 |
400 |
705 |
88.9 |
508 |
406.4 |
216 |
469.9 |
7 |
616 |
1.6 |
| 18 |
450 |
785 |
101.6 |
565 |
457 |
229 |
533.4 |
7 |
685.8 |
1.6 |
| 20 |
500 |
855 |
108 |
622 |
508 |
248 |
584.2 |
7 |
749.3 |
1.6 |
| 24 |
600 |
1040 |
139.7 |
749 |
610 |
292 |
692.2 |
7 |
901.7 |
1.6 |
| Size in Inch |
Size in mm |
No of Bolts |
Bolt Size UNC |
RF Stud Length |
Hole Size |
ISO Stud Size |
Weight in kg |
| 1/2 |
15 |
4 |
3/4 |
110 |
7/8 |
M20 |
2.3 |
| 3/4 |
20 |
4 |
3/4 |
115 |
7/8 |
M20 |
2.7 |
| 1 |
25 |
4 |
7/8 |
125 |
1 |
M24 |
4.1 |
| 1 1/4 |
32 |
4 |
7/8 |
125 |
1 |
M24 |
4.6 |
| 1 1/2 |
40 |
4 |
1 |
140 |
1 1/8 |
M27 |
5.9 |
| 2 |
50 |
8 |
7/8 |
145 |
1 |
M24 |
11.5 |
| 2 1/2 |
65 |
8 |
1 |
160 |
1 1/8 |
M27 |
16.5 |
| 3 |
80 |
8 |
7/8 |
145 |
1 |
M24 |
14 |
| 4 |
100 |
8 |
1 1/8 |
170 |
1 1/4 |
M30 |
23 |
| 5 |
125 |
8 |
1 1/4 |
190 |
1 3/8 |
M33 |
39.5 |
| 6 |
150 |
12 |
1 1/8 |
190 |
1 1/4 |
M30 |
50 |
| 8 |
200 |
12 |
1 3/8 |
220 |
1 1/2 |
M36 |
80 |
| 10 |
250 |
16 |
1 3/8 |
235 |
1 1/2 |
M36 |
118 |
| 12 |
300 |
20 |
1 3/8 |
255 |
1 1/2 |
M36 |
148 |
| 14 |
350 |
20 |
1 1/2 |
275 |
1 5/8 |
M39 |
182 |
| 16 |
400 |
20 |
1 5/8 |
285 |
1 3/4 |
M42 |
225 |
| 18 |
450 |
20 |
1 7/8 |
325 |
2 |
M48 |
300 |
| 20 |
500 |
20 |
2 |
350 |
2 1/8 |
M52 |
373 |
| 24 |
600 |
20 |
2 1/2 |
440 |
2 5/8 |
M64 |
680 |
| Size in Inch |
Size in mm |
Outer Diameter |
Flange Thickness |
Hub OD |
Weld Neck OD |
Welding Neck Length |
RF Diameter |
RF Height |
PCD |
Weld Face |
| |
|
A |
B |
C |
D |
E |
F |
G |
H |
I |
| 1/2 |
15 |
120 |
22.3 |
38 |
21.3 |
60 |
34.9 |
7 |
82.6 |
1.6 |
| 3/4 |
20 |
130 |
25.4 |
44 |
26.7 |
70 |
42.9 |
7 |
88.9 |
1.6 |
| 1 |
25 |
150 |
28.6 |
52 |
33.4 |
73 |
50.8 |
7 |
101.6 |
1.6 |
| 1 1/4 |
32 |
160 |
28.6 |
64 |
42.2 |
73 |
63.5 |
7 |
111.1 |
1.6 |
| 1 1/2 |
40 |
180 |
31.8 |
70 |
48.3 |
83 |
73 |
7 |
123.8 |
1.6 |
| 2 |
50 |
215 |
38.1 |
105 |
60.3 |
102 |
92.1 |
7 |
165.1 |
1.6 |
| 2 1/2 |
65 |
245 |
41.3 |
124 |
73 |
105 |
104.8 |
7 |
190.5 |
1.6 |
| 3 |
80 |
265 |
47.7 |
133 |
88.9 |
117 |
127 |
7 |
203.2 |
1.6 |
| 4 |
100 |
310 |
54 |
162 |
114.3 |
124 |
157.2 |
7 |
241.3 |
1.6 |
| 5 |
125 |
375 |
73.1 |
197 |
141.3 |
156 |
185.7 |
7 |
292.1 |
1.6 |
| 6 |
150 |
395 |
82.6 |
229 |
168.3 |
171 |
215.9 |
7 |
317.5 |
1.6 |
| 8 |
200 |
485 |
92.1 |
292 |
219.1 |
213 |
269.9 |
7 |
393.7 |
1.6 |
| 10 |
250 |
585 |
108 |
368 |
273 |
254 |
323.8 |
7 |
482.6 |
1.6 |
| 12 |
300 |
675 |
123.9 |
451 |
323.8 |
283 |
381 |
7 |
571.5 |
1.6 |
| 14 |
350 |
750 |
133.4 |
495 |
355.6 |
298 |
412.8 |
7 |
635 |
1.6 |
| 16 |
400 |
825 |
146.1 |
552 |
406.4 |
311 |
469.9 |
7 |
704.8 |
1.6 |
| 18 |
450 |
915 |
162 |
597 |
457 |
327 |
533.4 |
7 |
774.7 |
1.6 |
| 20 |
500 |
985 |
177.8 |
641 |
508 |
356 |
584.2 |
7 |
831.8 |
1.6 |
| 24 |
600 |
1170 |
203.2 |
762 |
610 |
406 |
692.2 |
7 |
990.6 |
1.6 |
| Size in Inch |
Size in mm |
No of Bolts |
Bolt Size UNC |
RF Stud Length |
Hole Size |
ISO Stud Size |
Weight in kg |
| 1/2 |
15 |
4 |
3/4 |
110 |
7/8 |
M20 |
2.3 |
| 3/4 |
20 |
4 |
3/4 |
115 |
7/8 |
M20 |
2.7 |
| 1 |
25 |
4 |
7/8 |
125 |
1 |
M24 |
4.1 |
| 1 1/4 |
32 |
4 |
7/8 |
125 |
1 |
M24 |
4.6 |
| 1 1/2 |
40 |
4 |
1 |
140 |
1 1/8 |
M27 |
5.9 |
| 2 |
50 |
8 |
7/8 |
145 |
1 |
M24 |
11.4 |
| 2 1/2 |
65 |
8 |
1 |
160 |
1 1/8 |
M27 |
16.4 |
| 3 |
80 |
8 |
1 1/8 |
180 |
1 1/4 |
M30 |
21.8 |
| 4 |
100 |
8 |
1 1/4 |
195 |
1 3/8 |
M33 |
33 |
| 5 |
125 |
8 |
1 1/2 |
250 |
1 5/8 |
M39 |
59 |
| 6 |
150 |
12 |
1 3/8 |
260 |
1 1/2 |
M36 |
75 |
| 8 |
200 |
12 |
1 5/8 |
290 |
1 3/4 |
M42 |
125 |
| 10 |
250 |
12 |
1 7/8 |
335 |
2 |
M48 |
207 |
| 12 |
300 |
16 |
2 |
375 |
2 1/8 |
M52 |
314 |
| 14 |
350 |
16 |
2 1/4 |
405 |
2 3/8 |
M56 |
427 |
| 16 |
400 |
16 |
2 1/2 |
445 |
2 5/8 |
M64 |
568 |
| 18 |
450 |
16 |
2 3/4 |
495 |
2 7/8 |
M72 |
738 |
| 20 |
500 |
16 |
3 |
540 |
3 1/8 |
M76 |
932 |
| 24 |
600 |
16 |
3 1/2 |
615 |
3 5/8 |
M90 |
1511 |
| Size in Inch |
Size in mm |
Outer Diameter |
Flange Thickness |
Hub OD |
Weld Neck OD |
Welding Neck Length |
RF Diameter |
RF Height |
PCD |
Weld Face |
| |
|
A |
B |
C |
D |
E |
F |
G |
H |
I |
| 1/2 |
15 |
135 |
30.2 |
43 |
21.3 |
73 |
34.9 |
7 |
88.9 |
1.6 |
| 3/4 |
20 |
140 |
31.8 |
51 |
26.7 |
79 |
42.9 |
7 |
95.2 |
1.6 |
| 1 |
25 |
160 |
35 |
57 |
33.4 |
89 |
50.8 |
7 |
108 |
1.6 |
| 1 1/4 |
32 |
185 |
38.1 |
73 |
42.2 |
95 |
63.5 |
7 |
130.2 |
1.6 |
| 1 1/2 |
40 |
205 |
44.5 |
79 |
48.3 |
111 |
73 |
7 |
146 |
1.6 |
| 2 |
50 |
235 |
50.9 |
95 |
60.3 |
127 |
92.1 |
7 |
171.4 |
1.6 |
| 2 1/2 |
65 |
265 |
57.2 |
114 |
73 |
143 |
104.8 |
7 |
196.8 |
1.6 |
| 3 |
80 |
305 |
66.7 |
133 |
88.9 |
168 |
127 |
7 |
228.6 |
1.6 |
| 4 |
100 |
355 |
76.2 |
165 |
114.3 |
190 |
157.2 |
7 |
273 |
1.6 |
| 5 |
125 |
420 |
92.1 |
203 |
141.3 |
229 |
185.7 |
7 |
323.8 |
1.6 |
| 6 |
150 |
485 |
108 |
235 |
168.3 |
273 |
215.9 |
7 |
368.3 |
1.6 |
| 8 |
200 |
550 |
127 |
305 |
219.1 |
318 |
269.9 |
7 |
438.2 |
1.6 |
| 10 |
250 |
675 |
165.1 |
375 |
273 |
419 |
323.8 |
7 |
539.8 |
1.6 |
| 12 |
300 |
760 |
184.2 |
441 |
323.8 |
464 |
381 |
7 |
619.1 |
1.6 |
| Size in Inch |
Size in mm |
No of Bolts |
Bolt Size UNC |
RF Stud Length |
Hole Size |
ISO Stud Size |
Weight in kg |
| 1/2 |
15 |
4 |
3/4 |
120 |
7/8 |
M20 |
3.3 |
| 3/4 |
20 |
4 |
3/4 |
125 |
7/8 |
M20 |
3.7 |
| 1 |
25 |
4 |
7/8 |
140 |
1 |
M24 |
5.5 |
| 1 1/4 |
32 |
4 |
1 |
150 |
1 1/8 |
M27 |
7.8 |
| 1 1/2 |
40 |
4 |
1 1/8 |
170 |
1 1/4 |
M30 |
11.5 |
| 2 |
50 |
8 |
1 |
180 |
1 1/8 |
M27 |
19 |
| 2 1/2 |
65 |
8 |
1 1/8 |
195 |
1 1/4 |
M30 |
24 |
| 3 |
80 |
8 |
1 1/4 |
220 |
1 3/8 |
M33 |
42.8 |
| 4 |
100 |
8 |
1 1/2 |
255 |
1 5/8 |
M39 |
66 |
| 5 |
125 |
8 |
1 3/4 |
300 |
1 7/8 |
M45 |
111 |
| 6 |
150 |
8 |
2 |
345 |
2 1/8 |
M52 |
173 |
| 8 |
200 |
12 |
2 |
380 |
2 1/8 |
M52 |
264 |
| 10 |
250 |
12 |
2 1/2 |
490 |
2 5/8 |
M64 |
490 |
| 12 |
300 |
12 |
2 3/4 |
540 |
2 7/8 |
M72 |
695 |
| Stainless Steel Class 150 Weld Neck Flanges |
SS Class 300 Weld Neck Flanges |
| SS Class 400 Weld Neck Flanges |
Stainless Steel Class 600 Weld Neck Flanges |
| Stainless Steel Class 900 Weld Neck Flanges |
SS Class 1500 Weld Neck Flanges |
| SS Plate Weld Neck Flanges |
Stainless Steel Ring Type Joint Weld Neck Flanges |
| Stainless Steel Drawing Weld Neck Flanges |
SS Square Weld Neck Flanges |
| SS Weld Neck Raised Face Flanges |
Stainless Steel WNRF Flanges |
| Stainless Steel Forged Weld Neck Flanges |
SS Weld Neck Flat Face Flanges |
| SS Class 2500 Weld Neck Flanges |
Stainless Steel Weld Neck Flanges |
- Automobile Industries
- Boilers
- Chemical Fertilizers
- Desalination
- Decoratives
- Dairies and Food
- Energy Industries
- Food Industries
- Fertilizers and Plant Equipment
- Fabrication
- Heat Exchangers
- Instrumentation
- Metallurgical Industries
- Oil and Gas Industries
- Pharmaceuticals
- Power Plants
- Railings In Railway Stations
- Sugar Industries
- Space Application
- Pulp and Paper Mills
- Railway Coachings
- Ships
We Export To
Zaria, Port Elizabeth, Turkey, Subra al-Haymah, Colombia, Alexandria, Ghana, Tunisia, Lebanon, Johannesburg, Cyprus, Bamako, Cairo, Maputo, Nairobi, Bulawayo, Africa, Canada, Antananarivo, Russia, Houston, Lagos, Ethiopa, Soweto, Thailand (Bangkok), Qatar, Abu Dhabi, Luanda, Benin, Yaoundé, Pretoria, Vietnam, Kinshasa, Douala, Cape Town, Hong Kong, New Zealand, Kazakhstan, Mexico, Algeria, Kampala, Egypt, South Africa, Oman, Addis Ababa, Colombo, Malaysia, Morocco, Italy, Maiduguri, Kano, Iraq, Argentina, Iran, Port Harcourt, Abidjan, Venezuela, Sudan, Harare, Khartoum, UAE, Singapore, Bahrain, Mozambique, Yemen, Lubumbashi, Mbuji-Mayi, Dubai, Algiers, Uganda, New York, Jordan, United States, Freetown, Indonesia, Durban, Sri Lanka, Dakar, Cameroon, Accra, Kolwezi, UK, Nigeria, Kaduna, Giza, Brazzaville, Australia, Fez, Conakry, Rabat, Chine, Tripoli, Dar es Salaam, Brazil, Saudi Arabia, Democratic Republic of the Congo, Ouagadougou, Omdurman, Germany, Casablanca, Peru, Ibadan, London, Azerbaijan, Angola, Trinidad and Tobago, Mogadishu, Israel, Kuwait.
We Supply To
Sadar, Accra, Bangalore, Udgir, Bamako, Democratic Republic of the Congo, Ahmedabad, Maputo, Baraut, Betul, Lucknow, Ibadan, Lagos, Singapore, Surat, Dakar, Johannesburg, Abidjan, Kolwezi, Dar es Salaam, Miryalaguda, Rabat, Ouagadougou, Nairobi, Lebanon, Yemen, Hyderabad, Algeria, Maharashtra, Ethiopa, Bansberia, Yaoundé, Mbuji-Mayi, Uganda, Durban, Fez, Suryapet, Zaria, Maiduguri, Conakry, Douala, Tadepalligudem, Ambala, Giza, Manipur, Cyprus, Cameroon, Kampala, Chennai, Benin, Kano, Addis Ababa, Benin, Tripura, Angola, Kaduna, Tripoli, Mumbai, Harare, Puducherry, Luanda, Oman, Port Elizabeth, New York, Bundi, Cape Town, Ghana, Delhi, Algiers, Qatar, Bulawayo, Kolkata, Jamalpur, Jaipur, Pune, Muktsar, Mozambique, Mizoram, Mogadishu, Russia, Pretoria, Alexandria, Omdurman, Venezuela, Hong Kong, Colombo, Jordan, Morocco, Subra al-Haymah, Cairo, Port Harcourt, Nagapattinam, Thailand (Bangkok), Buxar, Khartoum, Andhra Pradesh, Ballia, Lubumbashi, Brazzaville, Soweto, Freetown, Kerala, Casablanca, Abu Dhabi, Kinshasa, Karnataka, Antananarivo, India, Bhiwadi.